Jiangsu Gongtang Chemical Equipments Co., Ltd. Jiangsu Gongtang
  • 
  • Laman Utama
  • Mengenai Kami+
    • Profil Syarikat
    • Lawatan Syarikat
    • Sijil-sijil
    • Pameran
  • Produk +
  • Perkhidmatan & Sokongan
  • Industri-Industri
  • Kes-kes
  • Hubungi Kami
  • Video-video
  • Laman Utama
  • Produk
  • Tangki Penyimpanan Berlapis Kaca
  • Tangki Penyimpanan Berlapis Kaca Mendatar
Tangki Penyimpanan Berlapis Kaca Mendatar
  • Tangki Penyimpanan Berlapis Kaca Mendatar
    Tangki penyimpanan berlapis kaca mendatar dengan platform, pagar keselamatan dan tangga
  • Tangki Penyimpanan Berlapis Kaca Mendatar
    Tangki penyimpanan berlapis kaca bersaiz besar dengan bukaan sisi dan jaket gegelung separa paip
  • Tangki Penyimpanan Berlapis Kaca Mendatar
    Tangki penyimpanan berlapis kaca mendatar dengan penyejat pemanas
  • Tangki Penyimpanan Berlapis Kaca Mendatar
    Tangki penyimpanan berlapis kaca mendatar 10,000 L
  • Tangki Penyimpanan Berlapis Kaca Mendatar
    Tangki penyimpanan berlapis kaca dengan pagar keselamatan

Tangki Penyimpanan Berlapis Kaca Mendatar

Horizontal Glass Lined Storage Tank

Bejana penyimpanan tahan kakisan untuk bahan mengakis atau sensitif

Industri kimia, farmaseutikal dan petrokimia sering berhadapan media agresif yang boleh merosakkan peralatan dari masa ke masa. Oleh itu, rintangan kakisan menjadi faktor penting dalam pemilihan bahan dan reka bentuk bejana. Pemilihan bahan yang betul bukan sahaja menentukan jangka hayat tangki, tetapi juga mempengaruhi kualiti produk dan, dalam sesetengah kes, hasil tindak balas kimia.

Hubungi kami

Tangki penyimpanan berlapis kaca mendatar direka untuk menangani keadaan mencabar dalam industri yang menyimpan bahan mengakis. Badan tangki diperbuat daripada keluli karbon untuk memberikan kekuatan struktur. Bahagian dalamnya dilapisi enamel yang dileburkan pada keluli pada suhu tinggi, menghasilkan permukaan yang licin dan stabil secara kimia. Lapisan enamel ini menghalang sentuhan langsung antara medium dan logam, mengurangkan risiko pencemaran serta memanjangkan jangka hayat penggunaan. Dengan gabungan kekuatan dan rintangan kakisan, tangki ini sesuai untuk menyimpan pelbagai bahan kimia agresif dengan prestasi yang boleh dipercayai.

Tangki ini dihasilkan dalam kapasiti 50L hingga 200,000L, dengan tekanan reka bentuk maksimum 0.6 MPa. Julat suhu operasi adalah antara 0 °C hingga 150 °C, memenuhi keperluan kebanyakan proses kimia. Dengan gabungan kekuatan, rintangan dan kebolehsuaian, tangki penyimpanan berlapis kaca mendatar merupakan pilihan yang kukuh untuk penggunaan industri jangka panjang.

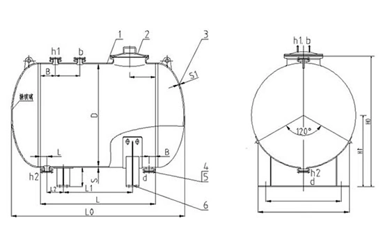
Lukisan Dimensi
Lukisan Dimensi
Lukisan Dimensi
Nota:
  • 1. Badan tangki
  • 2. Manhole berlapis kaca
  • 3. Kepala Elips
  • 4. Nozel jenis A berlapis kaca
  • 5. Bebibir sambungan lap joint
  • 6. Sokongan pelana
Dimensi Tangki Penyimpanan Berlapis Kaca Mendatar, 3000L-12500L (mm)
Kapasiti Nominal
VN/L
L0 L1 L2 L3 L4 H1 H A1 K1 A2 B E F A3
3000 2710 900 310 403 250 1760 1000 1350 1120 200 100 490 100 570
4000 3310 1500 310 403 250 1760 1000 1350 1120 200 100 490 120 550
5000 3265 1240 480 440 250 2080 1200 1430 1180 350 150 300 150 300
6300 4060 1740 580 440 250 1980 1200 1430 1180 350 150 600 150 600
10000 4080 1820 415 550 160 2340 1300 1780 1490 250 150 950 150 950
12500 4800 2740 470 649 260 2340 1300 1780 1490 250 150 950 150 950
Spesifikasi Nozel (mm)
Isipadu Nominal
L
Isipadu Sebenar
L
Diameter Tangki Ketebalan Kepala
S1
Diameter Nominal Nozel (DN) Tolok Paras Cecair, panjang × kuantiti
Ketebalan Dinding Tangki
s
Panjang
L
Nozel Gantian
a
Nozel Gantian b Nozel Gantian
c
Nozel Keluar
d
Tolok Paras Cecair
e1, e2
Nozel Masuk
f
Nozel Keluar
h
Nozel Proses
g
3000 3490 1450 14 1550 14 65 125 65 65 65 65 65 600 1000×1
4000 4500 1450 14 2150 14 65 125 65 65 65 65 65 600 1000×1
5000 5680 1600 16 2200 16 100 80 80 65 65 80 80 600 1200×1
6300 7100 1600 16 2900 16 100 65 65 65 65 80 80 600 1200×1
10000 10860 2000 20 2700 20 100 100 150 100 65 100 100 800 1300×1
12500 13921 2000 20 3680 20 100 100 150 100 65 100 100 800 1300×1
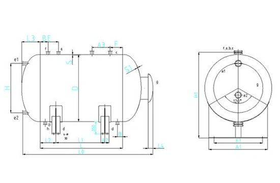
Dimensi Tangki Penyimpanan Berlapis Kaca Mendatar, 16000L-80000L
Isipadu Nominal
VN/L
Isipadu Sebenar
V/L
Diameter
D
Tangki Ketebalan Kepala
S1
Diameter nominal noze DN L0 L L1 L2 H0 H1
Ketebalan Dinding
S
Panjang
L
Nozel masuk
b
Nozel simpanan
d
16000 17756 2200 20 3840 20 150 150 5080 2840 450 142 2900 1470
20000 22330 2400 22 4030 22 150 150 5374 2930 500 140 3110 1572
25000 27790 2800 24 3480 24 150 150 5028 2280 600 238 3510 1774
30000 33300 3000 26 3630 26 150 150 5282 2370 630 236 3720 1876
40000 44000 3200 28 4300 28 200 200 6060 2800 650 234 3900 1978
50000 55000 3400 30 4830 30 200 200 6690 3230 700 232 4100 2080
63000 69000 3600 32 5480 32 200 200 7440 3780 750 230 4300 2182
80000 88000 3800 34 6390 34 200 200 8460 4590 800 228 4500 2284

Kami Juga Menyediankan Aksesori untuk Peralatan Berlapis Kaca

Perlukan Sokongan Teknikal untuk Peralatan Berlapis Kaca?

Jurutera kami memberikan panduan pakar mengenai reaktor berlapis kaca, tangki, dan peralatan proses tersuai yang tahan kakisan untuk aplikasi kimia, farmaseutikal, dan industri.

  • Produk Berkaitan
  • Produk lain
Tangki Penyimpanan Berlapis Kaca Menegak
Tangki Penyimpanan Berlapis Kaca Menegak
Tangki Penyimpanan Berlapis Kaca Jenis Tertutup, Menegak
Tangki Penyimpanan Berlapis Kaca Jenis Tertutup, Menegak
Tangki Penyimpanan Berlapis Kaca Mendatar
Tangki Penyimpanan Berlapis Kaca Mendatar
Kolum Berlapis Kaca
Kolum Berlapis Kaca
Penukar Haba Berlapis Kaca
Penukar Haba Berlapis Kaca
Pengering Kon Berkembar Berlapis Kaca
Pengering Kon Berkembar Berlapis Kaca
LIHAT LAGI

Apakah jenis medium yang boleh disimpan dalam tangki berlapis kaca, dan yang tidak sesuai?

Tangki ini tahan kakisan terhadap asid bukan organik, asid organik, pelarut organik dan alkali lemah pada pelbagai kepekatan. Namun ia tidak sesuai untuk menyimpan alkali kuat, asid hidrofluorik, medium yang mengandungi fluorida atau asid fosforik melebihi 30% pada suhu melebihi 180 °C

Apakah jenis tangki penyimpanan berlapis kaca yang tersedia, dan adakah penyesuaian disokong?

Pilihan yang ada termasuk tangki mendatar, tangki menegak penutup terbuka dan tangki menegak penutup tertutup dalam pelbagai saiz. Peralatan bukan standard juga boleh direka dan dihasilkan mengikut keperluan projek.

Bagaimanakah kualiti dalaman dan luaran tangki menegak berlapis kaca dinilai?

Kualiti luaran dinilai melalui pemeriksaan visual dan alat ujian untuk mengesan kecacatan permukaan. Kualiti dalaman bergantung pada beberapa faktor pengeluaran termasuk pembentukan yang betul, kerja kimpalan dan rawatan permukaan, serta kawalan kualiti yang ketat pada setiap peringkat pembuatan.

Apakah pilihan yang tersedia untuk tangki penyimpanan berlapis kaca mendatar?

Beberapa pilihan tersedia. Sesetengah tangki mempunyai bukaan sisi besar dengan jaket gegelung separa paip dan boleh dilengkapkan dengan platform, pagar dan tangga untuk akses yang lebih mudah. Lainnya dilengkapi penyejat pemanas, menjadikannya sesuai untuk aplikasi yang memerlukan kawalan suhu.

Jiangsu Gongtang Chemical Equipments Co., Ltd. Jiangsu Gongtang
Pengilang Peralatan Berlapis Kaca
Pautan Pantas
  • Mengenai Kami
  • Lawatan Syarikat
  • Sijil-sijil
  • Pameran
  • Perkhidmatan & Sokongan
  • Kes-kes
  • Video-video
Produk
  • Reaktor Berlapis Kaca
  • Tangki Penyimpanan Berlapis Kaca
  • Kolum Berlapis Kaca
  • Penukar Haba Berlapis Kaca
  • Pengering Kon Berkembar Berlapis Kaca
  • Aksesori
  • Sistem Proses Bersepadu
Hubungi Kami
chrisz.jsjjgt@outlook.com
+86-523-89110022
+86-15861003636