Jiangsu Gongtang Chemical Equipments Co., Ltd. Jiangsu Gongtang
  • 
  • Laman Utama
  • Mengenai Kami+
    • Profil Syarikat
    • Lawatan Syarikat
    • Sijil-sijil
    • Pameran
  • Produk +
  • Perkhidmatan & Sokongan
  • Industri-Industri
  • Kes-kes
  • Hubungi Kami
  • Video-video
  • Laman Utama
  • Produk
  • Tangki Penyimpanan Berlapis Kaca
  • Tangki Penyimpanan Berlapis Kaca Jenis Tertutup, Menegak
Tangki Penyimpanan Berlapis Kaca Jenis Tertutup, Menegak
  • Tangki Penyimpanan Berlapis Kaca Jenis Tertutup, Menegak
  • Tangki Penyimpanan Berlapis Kaca Jenis Tertutup, Menegak
    Tangki Berlapis Kaca dengan Kaki Sokongan Tinggi
  • Tangki Penyimpanan Berlapis Kaca Jenis Tertutup, Menegak
    Tangki Penyimpanan Berlapis Kaca 120000L Besar dengan Pagar Pelindung

Tangki Penyimpanan Berlapis Kaca Jenis Tertutup, Menegak

Vertical Glass Lined Storage Tank, Close Type

Bejana penyimpanan tahan kakisan dengan penutup yang dikimpal kekal pada badan bejana

Tangki penyimpanan berlapis kaca jenis tertutup menegak tersedia dalam kapasiti nominal dari 50L hingga 200,000L. Reka bentuk bukan standard juga boleh dihasilkan untuk memenuhi keperluan projek tertentu.

Hubungi kami

Prestasi keseluruhan bejana penyimpanan ini bergantung kepada kualiti luaran dan dalaman. Kualiti luaran boleh dinilai melalui pemeriksaan visual dan ujian instrumen, sementara kualiti dalaman ditentukan oleh ketepatan pembentukan, kimpalan, dan rawatan permukaan, serta sejauh mana setiap peringkat pengeluaran dikawal dengan ketat.

Sebarang kecacatan, sama ada yang kelihatan atau mikroskopik, boleh berlaku semasa pengangkutan, penyimpanan, atau operasi, yang mungkin menyebabkan kerosakan peralatan. Kebolehpercayaan tangki bergantung pada kawalan setiap langkah pengeluaran, sama ada pembentukan, kimpalan, atau rawatan permukaan.

Tangki ini menggunakan lapisan enamel berkualiti tinggi yang menjadikannya tahan lama, menggabungkan kekuatan keluli dan ciri perlindungan kaca. Kawalan yang teliti pada setiap peringkat pengeluaran membantu mengekalkan kualiti yang konsisten dan memanjangkan jangka hayatnya.

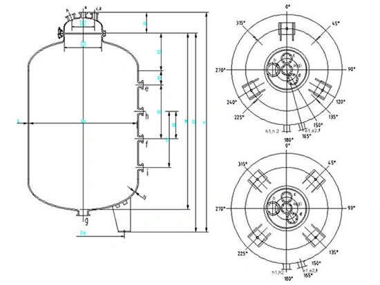
Lukisan Dimensi
Lukisan Dimensi
Dimensi Tangki Penyimpanan Berlapis Kaca Jenis Tertutup, Menegak
Kapasiti Nominal
VN/L
DN D1 D2 D3 D4 H H1 H2 H3 H4 H5 H6 H7 H8 S
3000 1600 600 420 30 1200 2740 300 2422 550 115 1000 / / 2220 16
5000 1600 600 420 30 1200 3720 305 3400 520 130 1200 460 1200 3160 16
6300 1750 600 420 30 1225 3924 310 3604 580 130 1200 424 1200 3304 18
8000 2000 700 490 36 1500 3880 340 3520 630 150 1100 500 1100 3280 20
10000 2200 700 490 36 1520 4053 340 3703 692 150 1200 600 1200 3392 20
20000 2600 700 490 36 1820 5540 340 5200 665 150 1800 600 1800 4605 24
30000 2800 700 490 36 1960 6090 340 5750 710 150 1800 600 1800 5510 26
40000 3200 800 480 36 2400 6870 386 6474 965 150 2200 500 2200 6125 28
50000 3400 800 480 36 2720 7500 386 7124 975 150 2600 570 2600 6630 32
Spesifikasi Nozel (mm)
Kapasiti Nominal
VN/L
a b c d e1-2 h1-2 g
3000 125 65 65 65 65 65 125
5000 125 65 65 65 65 65 125
6300 125 65 65 65 65 65 125
8000 125 80 65 65 80 80 125
10000 125 80 65 65 80 80 125
20000 300×400 100 100 125 100 100 125
30000 300×400 100 100 125 125 125 125
40000 125 150 100 100 125 125 200
50000 125 150 100 100 125 125 200

Kami Juga Menyediankan Aksesori untuk Peralatan Berlapis Kaca

Perlukan Sokongan Teknikal untuk Peralatan Berlapis Kaca?

Jurutera kami memberikan panduan pakar mengenai reaktor berlapis kaca, tangki, dan peralatan proses tersuai yang tahan kakisan untuk aplikasi kimia, farmaseutikal, dan industri.

  • Produk Berkaitan
  • Produk lain
Tangki Penyimpanan Berlapis Kaca Menegak
Tangki Penyimpanan Berlapis Kaca Menegak
Tangki Penyimpanan Berlapis Kaca Jenis Tertutup, Menegak
Tangki Penyimpanan Berlapis Kaca Jenis Tertutup, Menegak
Tangki Penyimpanan Berlapis Kaca Mendatar
Tangki Penyimpanan Berlapis Kaca Mendatar
Kolum Berlapis Kaca
Kolum Berlapis Kaca
Penukar Haba Berlapis Kaca
Penukar Haba Berlapis Kaca
Pengering Kon Berkembar Berlapis Kaca
Pengering Kon Berkembar Berlapis Kaca
LIHAT LAGI

Apakah jenis medium yang boleh disimpan dalam tangki berlapis kaca, dan yang tidak sesuai?

Tangki ini tahan kakisan terhadap asid bukan organik, asid organik, pelarut organik dan alkali lemah pada pelbagai kepekatan. Namun ia tidak sesuai untuk menyimpan alkali kuat, asid hidrofluorik, medium yang mengandungi fluorida atau asid fosforik melebihi 30% pada suhu melebihi 180 °C

Apakah jenis tangki penyimpanan berlapis kaca yang tersedia, dan adakah penyesuaian disokong?

Pilihan yang ada termasuk tangki mendatar, tangki menegak penutup terbuka dan tangki menegak penutup tertutup dalam pelbagai saiz. Peralatan bukan standard juga boleh direka dan dihasilkan mengikut keperluan projek.

Bagaimanakah kualiti dalaman dan luaran tangki menegak berlapis kaca dinilai?

Kualiti luaran dinilai melalui pemeriksaan visual dan alat ujian untuk mengesan kecacatan permukaan. Kualiti dalaman bergantung pada beberapa faktor pengeluaran termasuk pembentukan yang betul, kerja kimpalan dan rawatan permukaan, serta kawalan kualiti yang ketat pada setiap peringkat pembuatan.

Apakah pilihan yang tersedia untuk tangki penyimpanan berlapis kaca mendatar?

Beberapa pilihan tersedia. Sesetengah tangki mempunyai bukaan sisi besar dengan jaket gegelung separa paip dan boleh dilengkapkan dengan platform, pagar dan tangga untuk akses yang lebih mudah. Lainnya dilengkapi penyejat pemanas, menjadikannya sesuai untuk aplikasi yang memerlukan kawalan suhu.

Jiangsu Gongtang Chemical Equipments Co., Ltd. Jiangsu Gongtang
Pengilang Peralatan Berlapis Kaca
Pautan Pantas
  • Mengenai Kami
  • Lawatan Syarikat
  • Sijil-sijil
  • Pameran
  • Perkhidmatan & Sokongan
  • Kes-kes
  • Video-video
Produk
  • Reaktor Berlapis Kaca
  • Tangki Penyimpanan Berlapis Kaca
  • Kolum Berlapis Kaca
  • Penukar Haba Berlapis Kaca
  • Pengering Kon Berkembar Berlapis Kaca
  • Aksesori
  • Sistem Proses Bersepadu
Hubungi Kami
chrisz.jsjjgt@outlook.com
+86-523-89110022
+86-15861003636