Jiangsu Gongtang Chemical Equipments Co., Ltd. Jiangsu Gongtang
  • 
  • Laman Utama
  • Mengenai Kami+
    • Profil Syarikat
    • Lawatan Syarikat
    • Sijil-sijil
    • Pameran
  • Produk +
  • Perkhidmatan & Sokongan
  • Industri-Industri
  • Kes-kes
  • Hubungi Kami
  • Video-video
  • Laman Utama
  • Produk
  • Tangki Penyimpanan Berlapis Kaca
  • Tangki Penyimpanan Berlapis Kaca Menegak
Tangki Penyimpanan Berlapis Kaca Menegak
  • Tangki Penyimpanan Berlapis Kaca Menegak
    Tangki Penyimpanan Berlapis Kaca Bukan Standard dengan Penutup Rata
  • Tangki Penyimpanan Berlapis Kaca Menegak
    Tangki penyimpanan berlapis kaca jenis terbuka dengan penunjuk aras cecair
  • Tangki Penyimpanan Berlapis Kaca Menegak
    Tangki Penyimpanan Berlapis Kaca dengan Asas Sokongan dan Sambungan Pantas
  • Tangki Penyimpanan Berlapis Kaca Menegak
    Tangki Penyimpanan Berlapis Kaca Skala Perintis Kecil Jenis Terbuka dengan Kaki Sokongan dan Rim Kalis Air

Tangki Penyimpanan Berlapis Kaca Jenis Terbuka, Menegak

Vertical Glass Lined Storage Tank, Open Type

Bejana penyimpanan tahan kakisan dengan penutup atas boleh tangga

Tangki penyimpanan berlapis kaca jenis terbuka menegak dilengkapi dengan bebibir kimpalan leher yang sepadan dengan diameter tangki. Ia direka untuk tekanan nominal sehingga 0.6 MPa, dengan kapasiti dari 50L hingga 200,000L, dan boleh beroperasi dalam julat suhu medium dari 0 hingga 150 °C.

Hubungi kami

Bejana penyimpanan tahan kakisan ini menggabungkan kekuatan keluli dengan perlindungan lapisan kaca. Permukaan dalaman yang licin mengekalkan kualiti bahan yang disimpan, mengelakkan pencemaran daripada ion logam, dan memastikan kestabilan kimia dan haba. Di samping itu, tangki ini mudah dibersihkan dan diselenggara.

Digunakan secara meluas dalam industri petroleum, kimia, racun perosak, plastik, makanan, pewarna, gentian sintetik, dan getah sintetik, ia memberikan prestasi yang boleh dipercayai dan jangka hayat yang panjang untuk pelbagai aplikasi.

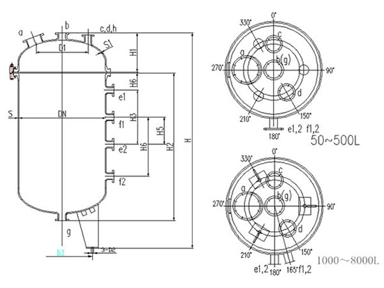
Lukisan Dimensi
Lukisan Dimensi
Dimensi Tangki Penyimpanan Berlapis Kaca Jenis Terbuka
Kapasiti Nominal
L
DN D1 D2 D3 H H1 H2 H3 H4 S H5 H6
50 500 350 20 370 835 270 465 / 160 8 / /
100 500 350 20 370 1020 265 655 / 160 8 / /
200 600 360 20 420 1615 300 965 450 150 8 / /
300 700 420 25 490 1567 345 1070 500 205 10 / /
500 800 480 25 560 1950 385 1370 800 160 10 / /
1000 1000 600 25 700 2450 430 1770 1000 200 12 / /
1500 1300 780 30 950 2410 505 1625 800 170 14 / /
2000 1300 780 25 950 2654 505 1970 1200 200 14 / /
3000 1600 960 30 1200 2565 585 1815 1000 190 16 / /
4000 1600 960 30 1200 3065 585 2315 1500 190 16 / /
5000 1600 960 30 1200 3756 585 2784 1200 189 16 450 120
6300 1750 1200 30 1250 3625 625 2800 1200 190 18 450 120
8000 2000 1400 36 1500 3935 700 3020 1200 200 20 450 120
Spesifikasi Nozel (mm)
Kapasiti Nominal
L
S S1 S2 a b c d e1.2 f1.2 g h
50 8 8 10 80 65 65 65 / / 65 /
100 8 8 10 80 65 65 65 65 / 65 /
200 8 8 10 125 65 65 65 65 / 65 /
300 10 10 10 125 80 65 65 65 / 80 /
500 10 10 10 150 80 80 65 65 / 80 /
1000 12 12 12 150 80 80 80 65 / 80 /
1500 14 14 12 200 100 80 80 65 / 100 80
2000 14 14 12 300×400 100 80 80 65 / 100 80
3000 16 16 12 300×400 100 80 80 65 / 100 80
4000 16 16 12 300×400 100 80 80 65 / 100 80
5000 16 16 12 300×400 125 100 100 65 65 125 100
6300 18 18 20 300×400 125 100 100 65 65 125 100
8000 20 20 20 300×400 125 100 100 65 65 125 125

Kami Juga Menyediankan Aksesori untuk Peralatan Berlapis Kaca

Perlukan Sokongan Teknikal untuk Peralatan Berlapis Kaca?

Jurutera kami memberikan panduan pakar mengenai reaktor berlapis kaca, tangki, dan peralatan proses tersuai yang tahan kakisan untuk aplikasi kimia, farmaseutikal, dan industri.

  • Produk Berkaitan
  • Produk lain
Tangki Penyimpanan Berlapis Kaca Menegak
Tangki Penyimpanan Berlapis Kaca Menegak
Tangki Penyimpanan Berlapis Kaca Jenis Tertutup, Menegak
Tangki Penyimpanan Berlapis Kaca Jenis Tertutup, Menegak
Tangki Penyimpanan Berlapis Kaca Mendatar
Tangki Penyimpanan Berlapis Kaca Mendatar
Kolum Berlapis Kaca
Kolum Berlapis Kaca
Penukar Haba Berlapis Kaca
Penukar Haba Berlapis Kaca
Pengering Kon Berkembar Berlapis Kaca
Pengering Kon Berkembar Berlapis Kaca
LIHAT LAGI

Apakah jenis medium yang boleh disimpan dalam tangki berlapis kaca, dan yang tidak sesuai?

Tangki ini tahan kakisan terhadap asid bukan organik, asid organik, pelarut organik dan alkali lemah pada pelbagai kepekatan. Namun ia tidak sesuai untuk menyimpan alkali kuat, asid hidrofluorik, medium yang mengandungi fluorida atau asid fosforik melebihi 30% pada suhu melebihi 180 °C

Apakah jenis tangki penyimpanan berlapis kaca yang tersedia, dan adakah penyesuaian disokong?

Pilihan yang ada termasuk tangki mendatar, tangki menegak penutup terbuka dan tangki menegak penutup tertutup dalam pelbagai saiz. Peralatan bukan standard juga boleh direka dan dihasilkan mengikut keperluan projek.

Bagaimanakah kualiti dalaman dan luaran tangki menegak berlapis kaca dinilai?

Kualiti luaran dinilai melalui pemeriksaan visual dan alat ujian untuk mengesan kecacatan permukaan. Kualiti dalaman bergantung pada beberapa faktor pengeluaran termasuk pembentukan yang betul, kerja kimpalan dan rawatan permukaan, serta kawalan kualiti yang ketat pada setiap peringkat pembuatan.

Apakah pilihan yang tersedia untuk tangki penyimpanan berlapis kaca mendatar?

Beberapa pilihan tersedia. Sesetengah tangki mempunyai bukaan sisi besar dengan jaket gegelung separa paip dan boleh dilengkapkan dengan platform, pagar dan tangga untuk akses yang lebih mudah. Lainnya dilengkapi penyejat pemanas, menjadikannya sesuai untuk aplikasi yang memerlukan kawalan suhu.

Jiangsu Gongtang Chemical Equipments Co., Ltd. Jiangsu Gongtang
Pengilang Peralatan Berlapis Kaca
Pautan Pantas
  • Mengenai Kami
  • Lawatan Syarikat
  • Sijil-sijil
  • Pameran
  • Perkhidmatan & Sokongan
  • Kes-kes
  • Video-video
Produk
  • Reaktor Berlapis Kaca
  • Tangki Penyimpanan Berlapis Kaca
  • Kolum Berlapis Kaca
  • Penukar Haba Berlapis Kaca
  • Pengering Kon Berkembar Berlapis Kaca
  • Aksesori
  • Sistem Proses Bersepadu
Hubungi Kami
chrisz.jsjjgt@outlook.com
+86-523-89110022
+86-15861003636