Jiangsu Gongtang Chemical Equipments Co., Ltd. Jiangsu Gongtang
  • 
  • Laman Utama
  • Mengenai Kami+
    • Profil Syarikat
    • Lawatan Syarikat
    • Sijil-sijil
    • Pameran
  • Produk +
  • Perkhidmatan & Sokongan
  • Industri-Industri
  • Kes-kes
  • Hubungi Kami
  • Video-video
  • Laman Utama
  • Produk
  • Reaktor Berlapis Kaca
  • Reaktor Berlapis Kaca, Jenis Tertutup
Reaktor Berlapis Kaca, Jenis Tertutup
Reaktor berlapis kaca dengan rak empat kolum

Reaktor Berlapis Kaca, Jenis Tertutup

Glass Lined Reactors, Close Type

Bejana tindak balas tahan kakisan dengan penutup yang dikimpal kekal pada badan bejana

Reaktor berlapis kaca jenis tertutup sering digunakan dalam industri kimia, petrokimia, farmaseutikal, pewarna, makanan, dan racun perosak, kerana sektor-sektor ini memerlukan ketahanan kakisan dan kebolehpercayaan yang tinggi. Reaktor ini mampu menahan proses yang mencabar dengan memberikan rintangan kakisan yang tinggi, kestabilan yang konsisten, dan operasi yang boleh dipercayai.

  • Julat kapasiti: 50 – 80,000 L
  • Tekanan maksimum: sehingga 16 bar (atmosfera hingga tekanan tinggi)
  • Ulat suhu operasi: –19 °C hingga 200 °C
  • Piawaian: CE/JIS/ASME/GB
Hubungi kami
Reaktor Berlapis Kaca, Jenis Tertutup
Reaktor berlapis kaca jenis tertutup 30000L dengan rak empat kolum dan penutup manhole buka pantas
Reaktor Berlapis Kaca, Jenis Tertutup
Reaktor berlapis kaca jenis tertutup 3000L dengan penutup buka pantas
Reaktor Berlapis Kaca, Jenis Tertutup
Reaktor berlapis kaca jenis tertutup 20000L untuk eksport ke Thailand
Reaktor Berlapis Kaca, Jenis Tertutup
Reaktor berlapis kaca bukan standard dengan dua manhole
Reaktor Berlapis Kaca, Jenis Tertutup
Reaktor berlapis kaca dengan rak empat kolum dan motor gear mendatar
Reaktor Berlapis Kaca, Jenis Tertutup
Reaktor berlapis kaca dengan rak empat kolum dan motor gear mendatar
Reaktor Berlapis Kaca, Jenis Tertutup
Reaktor berlapis kaca 12500L dengan pengurang kelajuan mendatar dan rak empat kolum
Reaktor Berlapis Kaca, Jenis Tertutup
Reaktor berlapis kaca 10000L dengan pengurang kelajuan menegak

Reaktor jenis ini dilengkapi dengan jaket untuk pemanasan atau penyejukan dan dilengkapi dengan pengaduk, membolehkan pencampuran yang cekap dan kawalan stabil bagi pelbagai proses. Bebibir kimpalan leher dipasang pada kepala untuk menyediakan sambungan yang selamat, manakala enamel import berkualiti tinggi memastikan ketahanan dan jangka hayat yang panjang.

Tekanan reka bentuk dalaman boleh mencapai hingga 1.0 MPa, dengan pilihan kapasiti dari 3000 L hingga 50000 L. Jaket direka untuk tekanan maksimum 0.6 MPa, dan kedua-dua tangki dan jaket boleh beroperasi dengan selamat dalam julat suhu –20 °C hingga 200 °C.

Parameter Teknikal
Tekanan reka bentuk Bahagian dalaman bejana Pengedap packing 0.2MPa
    Pengedap mekanikal 0.4MPa/1.0MPa
  Jaket 0.6MPa
Suhu reka bentuk Bahagian dalaman bejana -20℃~+200℃
  Jaket -20℃~+200℃
Kelajuan pengaduk Jenis sauh (anchor)/ jenis rangka 63r/min
  Jenis paddle (dayung) 110r/min~130r/min
  Jenis impeller 110r/min~130r/min
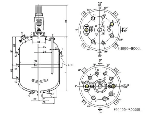
Lukisan Dimensi
Lukisan Dimensi
Dimensi Reaktor Berlapis Kaca Jenis Tertutup (mm)
Isipadu
(L)
3000 5000 6300 8000 10000 12500 16000 20000 25000 30000 50000
Item
DN 1600 1600 1750 1750 2000 2200 2400 2400 2400 2600 2800 3200 3400
D0 1120 1220 1220 1220 1400 1540 1680 900 900 975 1050 1200 1500
D1 1750 1750 1900 1900 2200 2400 2600 2550 2550 2750 2950 3350 3600
D2 2029 2029 2200 2200 2502 3744 2940 2812 2812 3060 3335 3866 4378
D3 30 30 30 30 36 36 36 36 36 36 36 36 36
D4 φ95 φ95 φ95 φ95 φ110 φ110 φ110 φ110 φ125 φ140 φ160 φ160 φ180
D5 65×6 65×6 80×6 80×6 95×8 95×8 95×8 95×8 98×8 95×8 110×l2 110×12 125×12
D6 600 600 600 600 800 800 800 800 800 900 1100 1300 2000
D7 450 450 450 450 510 510 510 560 560 650 650 810 940
D8 1300 1300 1400 1400 1505 1645 1785 1785 1785 1925 2065 2345 |
H 2250 3275 2888 3244 3310 3513 3160 3495 3830 4640 5060 4900 6765
H1 1060 1160 1200 1200 1200 1300 1500 1300 1300 1400 1500 1750 2200
H2 / / 800 900 900 950 640 375 600 650 750 600 1700
H3 700 780 750 750 800 1300 1010 900 900 1000 1050 1150 1250
H4 1550 1710 1500 1700 1700 1850 1610 2000 2350 2500 2650 2650 2950
H5 200 200 200 200 355 340 315 315 315 330 250 240 /
H6 1454 1535 1535 1682 1702 1822 1822 1822 1822 2594 2594 2734 3260
B1 540 540 540 540 540 540 540 550 550 550 550 550 550
B2 370 370 370 370 370 370 370 470 470 470 470 470 470
Kuasa (kW) 5.5 7.5 7.5 11 11 18.5 18.5 18.5 22 22 22 30 45
Spesifikasi Nozel (mm)
Isipadu
(L)
3000 5000 6300 8000 10000 12500 16000 20000 25000 30000 50000
Item
DN 1600 1600 1750 1750 2000 2200 2400 2400 2400 2600 2800 3200 3400
a 150 150 150 150 200 200 200 200 200 250 250 250 250
b 100 100 125 125 150 150 150 150 150 200 200 / /
c 125 125 150 150 150 150 150 150 150 150 150 150 150
d 100 100 125 125 150 150 125 250 250 250 250 250 250
e 125 125 150 150 150 125 125 150 150 150 150 150 150
f 125 125 125 125 125 150 150 150 150 150 150 150 200
h / / / / / 150 150 150 150 200 200 200 /
M 300× 400 300× 400 300× 400 300× 400 300× 400 300× 400 300× 400 300× 400 300× 400 300× 400 300× 400 300× 400 300× 400
S 125 125 125 125 125 125 125 150 150 150 150 150 150
T1 100 100 125 125 200 200 200 200 200 200 200 200 250
T2 / / / / 150 150 150 150 150 200 200 200 200
N1-3 65 65 65 65 65 65 65 80 100 100 100 100 100
K1-3 65 65 65 65 65 65 65 65 65 65 65 80 80

Kami Juga Menyediankan Aksesori untuk Peralatan Berlapis Kaca

Perlukan Sokongan Teknikal untuk Peralatan Berlapis Kaca?

Jurutera kami memberikan panduan pakar mengenai reaktor berlapis kaca, tangki, dan peralatan proses tersuai yang tahan kakisan untuk aplikasi kimia, farmaseutikal, dan industri.

  • Produk Berkaitan
  • Produk lain
Reaktor Berlapis Kaca Jenis Terbuka
Reaktor Berlapis Kaca Jenis Terbuka
Reaktor Berlapis Kaca, Jenis Tertutup
Reaktor Berlapis Kaca, Jenis Tertutup
Reaktor Berlapis Kaca dengan Jaket Gegelung Separa Paip
Reaktor Berlapis Kaca dengan Jaket Gegelung Separa Paip
Tangki Penyimpanan Berlapis Kaca
Tangki Penyimpanan Berlapis Kaca
Kolum Berlapis Kaca
Kolum Berlapis Kaca
Penukar Haba Berlapis Kaca
Penukar Haba Berlapis Kaca
LIHAT LAGI

Apakah komponen utama reaktor berlapis kaca jenis terbuka dan apakah fungsinya?

Reaktor berlapis kaca jenis terbuka terdiri daripada beberapa komponen penting: badan bejana, penutup boleh tanggal, gasket pengedap dan pengapit. Gasket pengedap diperlukan untuk membentuk kedap antara penutup dan badan, manakala pengapit memegangnya dengan kukuh supaya reaktor kekal tertutup rapat dan selamat semasa operasi.

Bagaimanakah tekanan reka bentuk berbeza mengikut haedah pengdedapan?

Tekanan reka bentuk dalaman bergantung pada kaedah pengedapan. Dengan pengedap jenis packing, bejana dinilai pada 0.2 MPa. Dengan pengedap mekanikal, tekanan reka bentuk boleh mencapai 0.4 MPa atau sehingga 1.0 MPa bergantung pada konfigurasi.

Apakah ciri struktur khas pada reaktor berlapis kaca jenis tertutup untuk memudahkan operasi dan penyelenggaraan?

Beberapa model reaktor berlapis kaca dilengkapi dengan penutup manhole buka cepat dan dwi-manhole untuk memudahkan akses bagi pemeriksaan dan penyelenggaraan. Penutup direka dengan bebibir kimpal-padu (butt-welded) bagi memberikan sambungan yang lebih kukuh serta memudahkan pemasangan komponen tambahan, menggabungkan ketahanan dengan kemudahan penggunaan.

Reka bentuk jaket manakah yang memberi pemindahan haba lebih baik untuk media pemanas atau penyejuk jenis cecair: konvensional atau gegelung separa paip (half-pipe coil)l?

Untuk media pemanas atau penyejuk jenis cecair, jaket gegelung separa paip biasanya memberikan prestasi pemindahan haba yang lebih baik. Kawasan efektifnya lebih kecil, kira-kira satu pertiga kurang daripada jaket konvensional, tetapi kadar alirannya dua hingga tiga kali lebih tinggi. Dalam jaket gegelung separa paip, aliran lebih laju membantu mengelakkan masalah biasa dalam jaket konvensional seperti pemindahan haba tidak sekata atau pembentukan mendapan, menjadikan pemanasan lebih sekata dan operasi lebih stabil.

Apabila reaktor beroperasi dengan air penyejuk, reka bentuk jaket yang manakah membantu mengurangkan masalah kakisan?

ket gegelung separa paip disyorkan. Air penyejuk selalunya mengandungi ion seperti H⁺ dan Cl⁻ yang boleh mempercepatkan kakisan. Dalam jaket konvensional, mendapan boleh terkumpul dan memburukkan keadaan. Aliran lebih laju dalam jaket gegelung separa paip mengurangkan pembentukan mendapan dan risiko kakisan dinding.

Adakah reaktor berlapis kaca gegelung separa paip memenuhi syarat pensijilan untuk dieksport ke Kesatuan Eropah?

Ya. Reaktor berlapis kaca jenis ini diperakui CE untuk Kesatuan Eropah, dan turut mematuhi piawaian Jepun JIS, kod ASME Amerika Syarikat dan piawaian JB China. Dengan pensijilan tersebut, ia memenuhi sepenuhnya keperluan pematuhan untuk eksport ke pasaran EU.

Jiangsu Gongtang Chemical Equipments Co., Ltd. Jiangsu Gongtang
Pengilang Peralatan Berlapis Kaca
Pautan Pantas
  • Mengenai Kami
  • Lawatan Syarikat
  • Sijil-sijil
  • Pameran
  • Perkhidmatan & Sokongan
  • Kes-kes
  • Video-video
Produk
  • Reaktor Berlapis Kaca
  • Tangki Penyimpanan Berlapis Kaca
  • Kolum Berlapis Kaca
  • Penukar Haba Berlapis Kaca
  • Pengering Kon Berkembar Berlapis Kaca
  • Aksesori
  • Sistem Proses Bersepadu
Hubungi Kami
chrisz.jsjjgt@outlook.com
+86-523-89110022
+86-15861003636