Jiangsu Gongtang Chemical Equipments Co., Ltd. Jiangsu Gongtang
  • 
  • Laman Utama
  • Mengenai Kami+
    • Profil Syarikat
    • Lawatan Syarikat
    • Sijil-sijil
    • Pameran
  • Produk +
  • Perkhidmatan & Sokongan
  • Industri-Industri
  • Kes-kes
  • Hubungi Kami
  • Video-video
  • Laman Utama
  • Produk
  • Reaktor Berlapis Kaca
  • Reaktor Berlapis Kaca Jenis Terbuka
Reaktor Berlapis Kaca Jenis Terbuka
Reaktor berlapis kaca dengan tangki imbangan dan reka bentuk rod pelepas pantas

Reaktor Berlapis Kaca Jenis Terbuka

Glass Lined Reactors, Open Type

Bejana tindak balas tahan kakisan dengan penutup boleh tanggal

Reaktor berlapis kaca dihasilkan dengan menyembur serbuk kaca kaya silika pada permukaan dalaman bejana keluli. Bejana kemudian dibakar pada suhu tinggi sehingga kaca melekat kukuh pada keluli dan membentuk lapisan komposit yang tahan lasak.

  • Julat kapasiti: 50 – 80,000 L
  • Tekanan maksimum: sehingga 16 bar (atmosfera hingga tekanan tinggi)
  • Ulat suhu operasi: –19 °C hingga 200 °C
  • Piawaian: CE/JIS/ASME/GB
Hubungi kami
Reaktor Berlapis Kaca Jenis Terbuka
6300L reaktor berlapis kaca jenis terbuka dengan penutup manhole buka pantas
Reaktor Berlapis Kaca Jenis Terbuka
Reaktor berlapis kaca dengan rangka bersepadu
Reaktor Berlapis Kaca Jenis Terbuka
Reaktor berlapis kaca dengan sistem sambungan air tersuai
Reaktor Berlapis Kaca Jenis Terbuka
Reaktor berlapis kaca struktur khas dengan tangki imbangan
Reaktor Berlapis Kaca Jenis Terbuka
Reaktor berlapis kaca dengan baffle tetap
Reaktor Berlapis Kaca Jenis Terbuka
10000L reaktor berlapis kaca jenis terbuka

Dalam reka bentuk jenis terbuka, penutup dan badan bejana adalah dua komponen berasingan. Sambungan antara penutup dan badan dikedapkan dengan gasket dan diketatkan menggunakan pengapit untuk memastikan kedapan yang stabil sepanjang operasi.

Reaktor jenis terbuka ini menggabungkan kestabilan dan rintangan kakisan kaca dengan kekuatan keluli. Permukaan dalaman yang licin menjadikannya mudah dibersihkan dan tahan terhadap hentakan, haba, lelasan serta kakisan kimia. Dengan sifat ini, reaktor berlapis kaca jenis terbuka sesuai untuk proses seperti hidrolisis, peneutralan, penghabluran, pencampuran dan emulsifikasi.

Reaktor jenis terbuka digunakan secara meluas dalam industri kimia, petroleum, farmaseutikal, racun perosak, makanan dan pewarna. Ia tersedia dalam pelbagai spesifikasi dan reka bentuk bukan standard boleh dihasilkan mengikut keperluan pelanggan.

Parameter Teknikal
Tekanan reka bentuk Bahagian Dalaman Pengedap dalaman 0.2MPa
Pengedap mekanikal 0.4MPa/1.0MPa
Jaket 0.6MPa/0.8Mpa/1.0MPa
Suhu reka bentuk Dalaman -19℃~+200℃
Jaket -19℃~+200℃
Kelajuan pengaduk Jenis sauh (anchor) / jenis rangka 63r/min
Jenis dayung 110r/min~130r/min
Jenis impeller 110r/min~130r/min
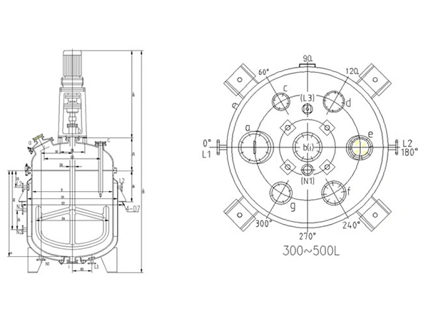
Lukisan Dimensi
Lukisan Dimensi
Lukisan Dimensi
Dimensi Reaktor Berlapis Kaca Jenis Terbuka (mm)
Isipadu (L) 300 500 1000 1500 2000 3000 5000 6300 8000 10000
Item
D 800 900 1200 1300 1300 1600 1600 1750 1750 2000 2000
D1 900 1000 1300 1450 1450 1750 1750 1900 1900 2200 2200
D2 1032 1148 1488 1639 1675 2044 2044 2218 2218 2500 2533
D3 560 630 840 910 910 1120 1120 1225 1225 1400 1400
D4 720 810 1080 1180 1180 1440 1440 1580 1580 1800 1800
D5 350 350 400 400 400 450 450 450 450 510 510
D6 65 65 80 80 80 95 95 95 95 110 110
D7 23 23 30 30 30 30 30 30 30 36 36
H 800 1000 1200 1400 1745 1739 2700 2317 3025 3120 3460
H0 2530 2759 3222 3440 3785 4073 5115 4792 5850 5450 6270
H1 1050 1050 1240 1240 1240 1454 1535 1535 1535 1650 1700
H2 380 409 482 500 500 580 580 640 640 720 710
H3 260 270 300 330 330 330 330 330 330 420 355
H4 / / / 960 1335 1242 2000 1490 1700 2000 2650
H5 / / / / / / 700 420 700 900 880
H6 390 420 500 600 600 700 700 700 815 850 850
B1 / / / 507 507 614 614 550 550 550 540
B2 250 270 350 350 370 370 370 370 370 400 450
Kuasa (kW) 1.5 3 4 4 4 5.5 7.5 7.5 11 11 11
Spesifikasi Nozel (mm)
Isipadu (L) 300 500 1000 1500 2000 3000 5000 6300 8000 10000
Item
a 125 150 300×400 300×400 300×400 300×400 300×400 300×400 300×400 300×400 300×400
b 100 100 125 125 125 150 150 150 150 200 200
c 65 65 100 100 100 100 100 125 125 200 200
d 80 80 100 100 100 100 100 125 125 150 150
e 65 100 100 125 125 125 125 125 125 125 125
f 65 125 125 125 125 125 125 150 150 125 125
g 65 100 100 100 100 100 100 125 125 150 150
h / / 100 200 125 125 125 150 150 125 125
K / / / / / / / / / 150 150
i 80 80 100 100 100 125 125 125 125 125 150
L1-L3 25 32 32 40 40 50 50 65 65 65 65
N1, N2 / / / 50 50 50 65 65 65 65 65
N3 / / / / / / 65 65 65 65 65

Kami Juga Menyediankan Aksesori untuk Peralatan Berlapis Kaca

Perlukan Sokongan Teknikal untuk Peralatan Berlapis Kaca?

Jurutera kami memberikan panduan pakar mengenai reaktor berlapis kaca, tangki, dan peralatan proses tersuai yang tahan kakisan untuk aplikasi kimia, farmaseutikal, dan industri.

  • Produk Berkaitan
  • Produk lain
Reaktor Berlapis Kaca Jenis Terbuka
Reaktor Berlapis Kaca Jenis Terbuka
Reaktor Berlapis Kaca, Jenis Tertutup
Reaktor Berlapis Kaca, Jenis Tertutup
Reaktor Berlapis Kaca dengan Jaket Gegelung Separa Paip
Reaktor Berlapis Kaca dengan Jaket Gegelung Separa Paip
Tangki Penyimpanan Berlapis Kaca
Tangki Penyimpanan Berlapis Kaca
Kolum Berlapis Kaca
Kolum Berlapis Kaca
Penukar Haba Berlapis Kaca
Penukar Haba Berlapis Kaca
LIHAT LAGI

Apakah komponen utama reaktor berlapis kaca jenis terbuka dan apakah fungsinya?

Reaktor berlapis kaca jenis terbuka terdiri daripada beberapa komponen penting: badan bejana, penutup boleh tanggal, gasket pengedap dan pengapit. Gasket pengedap diperlukan untuk membentuk kedap antara penutup dan badan, manakala pengapit memegangnya dengan kukuh supaya reaktor kekal tertutup rapat dan selamat semasa operasi.

Bagaimanakah tekanan reka bentuk berbeza mengikut haedah pengdedapan?

Tekanan reka bentuk dalaman bergantung pada kaedah pengedapan. Dengan pengedap jenis packing, bejana dinilai pada 0.2 MPa. Dengan pengedap mekanikal, tekanan reka bentuk boleh mencapai 0.4 MPa atau sehingga 1.0 MPa bergantung pada konfigurasi.

Apakah ciri struktur khas pada reaktor berlapis kaca jenis tertutup untuk memudahkan operasi dan penyelenggaraan?

Beberapa model reaktor berlapis kaca dilengkapi dengan penutup manhole buka cepat dan dwi-manhole untuk memudahkan akses bagi pemeriksaan dan penyelenggaraan. Penutup direka dengan bebibir kimpal-padu (butt-welded) bagi memberikan sambungan yang lebih kukuh serta memudahkan pemasangan komponen tambahan, menggabungkan ketahanan dengan kemudahan penggunaan.

Reka bentuk jaket manakah yang memberi pemindahan haba lebih baik untuk media pemanas atau penyejuk jenis cecair: konvensional atau gegelung separa paip (half-pipe coil)l?

Untuk media pemanas atau penyejuk jenis cecair, jaket gegelung separa paip biasanya memberikan prestasi pemindahan haba yang lebih baik. Kawasan efektifnya lebih kecil, kira-kira satu pertiga kurang daripada jaket konvensional, tetapi kadar alirannya dua hingga tiga kali lebih tinggi. Dalam jaket gegelung separa paip, aliran lebih laju membantu mengelakkan masalah biasa dalam jaket konvensional seperti pemindahan haba tidak sekata atau pembentukan mendapan, menjadikan pemanasan lebih sekata dan operasi lebih stabil.

Apabila reaktor beroperasi dengan air penyejuk, reka bentuk jaket yang manakah membantu mengurangkan masalah kakisan?

ket gegelung separa paip disyorkan. Air penyejuk selalunya mengandungi ion seperti H⁺ dan Cl⁻ yang boleh mempercepatkan kakisan. Dalam jaket konvensional, mendapan boleh terkumpul dan memburukkan keadaan. Aliran lebih laju dalam jaket gegelung separa paip mengurangkan pembentukan mendapan dan risiko kakisan dinding.

Adakah reaktor berlapis kaca gegelung separa paip memenuhi syarat pensijilan untuk dieksport ke Kesatuan Eropah?

Ya. Reaktor berlapis kaca jenis ini diperakui CE untuk Kesatuan Eropah, dan turut mematuhi piawaian Jepun JIS, kod ASME Amerika Syarikat dan piawaian JB China. Dengan pensijilan tersebut, ia memenuhi sepenuhnya keperluan pematuhan untuk eksport ke pasaran EU.

Jiangsu Gongtang Chemical Equipments Co., Ltd. Jiangsu Gongtang
Pengilang Peralatan Berlapis Kaca
Pautan Pantas
  • Mengenai Kami
  • Lawatan Syarikat
  • Sijil-sijil
  • Pameran
  • Perkhidmatan & Sokongan
  • Kes-kes
  • Video-video
Produk
  • Reaktor Berlapis Kaca
  • Tangki Penyimpanan Berlapis Kaca
  • Kolum Berlapis Kaca
  • Penukar Haba Berlapis Kaca
  • Pengering Kon Berkembar Berlapis Kaca
  • Aksesori
  • Sistem Proses Bersepadu
Hubungi Kami
chrisz.jsjjgt@outlook.com
+86-523-89110022
+86-15861003636